EN
CN EN
Contact Us
IDD2X104-R2 Regular Delivery
10.4 inch Industrial Monitor KVM
Product Features

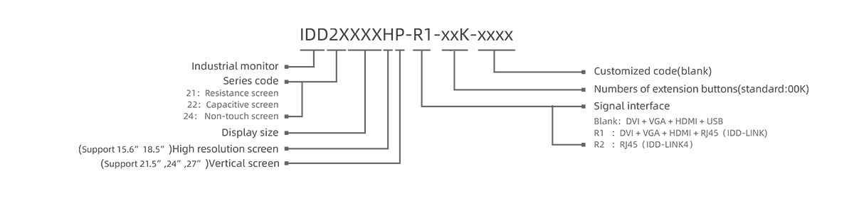
·Display type:10.1", 10.4", 11.6", 12.1", 12.2", 15", 15.6", 17", 17.3", 18.5", 19", 21.5", 24",27"

·Front panel/back cover:Aluminium-magnesium alloy

·Front panel/Rear:IP65 / IP20

·Screen Type: Single point resistive touchscreen,Multi-point capacitive touchscreen,Non-touch screen

·OS:Windows7, Window8, Windows10, Windows11, Linux, etc

·Video and touch signals can use the IDD-LINK4 interface simultaneously or using HDMI and USB signals separately
notice:both cannot be used simultaneously

·DC 24V

·R1(IDD-LINK)Long distance USB signal output,support 50m

·R2(IDD-LINK4)Video and USB are transmitted via a single CAT6 network cable,Transmission distance up to 100m

Routine
  • Control button
    Set contrast ratio and luminance via OSD at the back cover
  • Housing
    Front panel & back cover:Aluminium-magnesium alloy,Grounding isolation protection
  • Mounting
    Embedded;Wall-mounted;VESA;Desktop
  • Rear I/O
    IDD-LINK4(or HDMI interface) notice:both cannot be used simultaneously
Power
  • Input Voltage
    Phoenix terminal:DC 24V
  • Power
    15W
Physical
  • Dimension (WxHxD)
    264mm x 221.6mm x 57.5mm(10.39" x 8.72" x 2.26")
  • Open Size (WxH)
    253mm x 210.6mm(9.96" x 8.29")
LCD
  • Display type
    10.4" SVGA TFT
  • Resolution
    1024 x 768
  • Colors
    16.7M
  • Active Area (WxH)
    211.2mm x 158.4mm(8.31" x 6.24")
  • Backlight
    LED
  • MTBF(Hour)
    30000hrs
  • Pixel Pitch(HxV)
    0.2063x0.2063
  • Luminance(cd/m2)
    350cd / m2
  • Contrast Ratio
    900:1
  • Viewing Angle
    (L)75 / (R)75 / (U)75 / (D)75
Touchscreen
  • Touch Type
    Single point resistive touchscreen & Multi-point capacitive touchscreen & Non-touch screen
  • Light Transmission
    >85%
  • Controller
    USB
  • Driver Support
    Windows7, Window8, Windows10, Windows11, Linux, etc
  • Multi-touch
    10 points
  • Surface Hardness
    Resistive touchscreen: Mohs' Number >= 3H;Capacitive touchscreen: Mohs' Number 7H
Environment
  • Operating Temperature
    -20 ~ 70℃
  • Storage Temperature
    -20 ~ 70℃
  • Relative Humidity
    5~95%(Non condensation)
  • Shock
    Operating 10G peak acceleration(11 ms duration), follow IEC 60068-2-27
  • Vibration
    Operating Random Vibration Test 5~500Hz,1Grms@with HDD;2Grms@with SSD,follow IEC 60068-2-64
  • EMC
    CE/FCC Class A
  • Front Panel Protection
    Front panel IP65 compliant